
?一種電腦用微型散熱風扇簡介 本文是關於一種微型散熱風扇,特別是一種適用於電腦系統中用以冷卻電腦元件的微型散熱風扇裝置。 傳統現有的電腦用微型散熱風扇裝置,是由外殼體、…
Mar 23, 2020
PC桌面電腦系統及準系統(準系統定義參見《電腦應用文摘》國內刊號:CN50-1070/TP國際刊號: ISSN 1002-1353, 2004年第13期P116~118頁)在以下的本說明書中統稱為電腦。 目前,電腦的散熱方法:在CPU和顯卡…
Mar 23, 2020一種高效率雙吸入式電腦散熱風扇 本散熱風扇是有關一種高效率雙吸入式電腦散熱風扇,尤指使用於電腦中央處理器(CPU)的散熱裝置,由於本新型的結構剛性強,葉片具導流作用,雙邊…
Mar 23, 2020
隨著科學技術的發展,電腦被廣泛應用於家庭生活及商業運作中,而且,隨著電腦技術的不斷創新,它對工作溫度的要求越來越高。 電腦機箱上一般都安裝有CPU、硬碟、光驅、刻錄機等設備,…
Mar 23, 2020
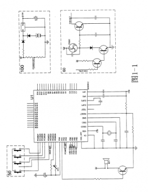
充電樁,是隨著在現如今新能源應用的大趨勢裏,電動車的快速發展應運而生的一種配套設施。隨著其不斷發展,電動汽車所需的充電樁的需求也越來越多。充電速度是充電樁的一個很重要的指…
Mar 23, 2020
散熱風扇作為各領域裏的關鍵部件,其品質的可靠性非常重要,這將直接影響到配套產品的使用壽命,與我們常見的機器能否正常工作也息息相關。在自動化領域,風扇也因其散熱功能影響著變…
Mar 23, 2020
UPS不斷電供應系統主機殼 ,需求量大,訂單持續穩定,可作為重點開發的行業。該行業的知名企業廠家均用的是三巨交流風扇,在此行業推廣,被接受度高。…
Sep 19, 2019
本文是有關一種電腦散熱風扇固定架,特別是指一種可以特定角度固定散熱風扇而使電腦系統整體具有良好通風及散熱效果的電腦散熱風扇固定架。…
Sep 19, 2019